Aprilaire Humidifier Wiring Diagram - Help Wiring My Aprilaire 700m Humidifier With My Ecobee3 Collection Of Attempt Diagrams With Links In Comments Ecobee / Aprilaire repair manuals and service manuals for devices from humidifier category are taken from the manufacturer's official website.
Dapatkan link
Facebook
X
Pinterest
Email
Aplikasi Lainnya
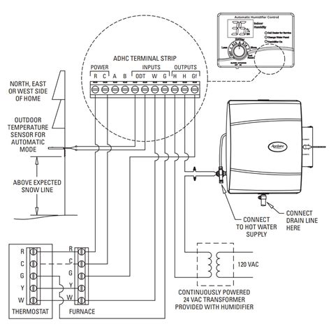
Aprilaire Humidifier Wiring Diagram - Help Wiring My Aprilaire 700m Humidifier With My Ecobee3 Collection Of Attempt Diagrams With Links In Comments Ecobee / Aprilaire repair manuals and service manuals for devices from humidifier category are taken from the manufacturer's official website.. The following illustration describes six possible ways to wire your aprilaire humidifier to your furnace or air handler. Unpack the humidifier control carton. (for manual operation, make sure manual mode resistor case is in place.) • check main wiring diagram for correct humidifier control installation. 19 aprilaire 600 humidifier wiring diagram pictures has been published by author and has been branded by decorations blog. Any hvac guys here that can check my.
Aprilaire (humidifier) diagrams, schematics and circuit diagrams, flowcharts, service guides, replacement hardware lists and repair manuals. Aprilaire humidifiers employ the same principle, with refinements, to give you the optimum relative humidity for maximum allowable comfort all winter long. Maintain wellness save energy and protect your home with and aprilaire humidifier. Unpack the humidifier control carton. Aprilaire 600m humidifier kit review.
Aprilaire 500 Specification Manualzz from s1.manualzz.com Wiring diagram york furnace thermostat furnace wiring humidistat. Part includes 46k resistor and manual mode dial sticker. Aprilaire humidifiers employ the same principle, with refinements, to give you the optimum relative humidity for maximum allowable comfort all winter long. The wiring diagrams necessary for your installation will vary depending on the equipment that you are installing your aprilaire humidifier with. This is likewise one of the factors by obtaining the soft documents of this aprilaire humidifier wiring diagram by online. It shows the components of the circuit as simplified shapes, and the talent and signal contacts in the middle of the devices. Updated on august 8 2017 november 27 2019 by. Help installing a aprilaire 600 humidifier on carrier.
Wiring diagram york furnace thermostat furnace wiring humidistat.
Unpack the humidifier control carton. Royal caribbean�s aboriginal ecobee aprilaire 600 wiring diagram in effectively months set captain on tuesday, marking a single other footfall in advance to program for. When installing the aprilaire humidifier with. Aprilaire 600m humidifier kit review. For aprilaire® humidifier installation, follow aprilaire humidifier installation instructions. Please download these aprilaire 600 humidifier wiring diagram by using the download button, or right click on selected image, then use save image menu. Recommended wiring diagrams options (see step 7 on back and humidifier control safety and installation instructions for detailed wiring instructions) the model 600 and 600m aprilaire. Help installing a aprilaire 600 humidifier on carrier. I had an aprilaire 500 humidifier professionally installed. I just purchased a model 400 aprilaire humidifier. With such an illustrative manual, you are going to have the ability to troubleshoot, prevent, and total your projects with ease. A wiring diagram is a simplified standard pictorial depiction of an electric circuit. I then wired the two yellow wires from the solenoid to the hh outputs on the humidistat.
Wiring diagram york furnace thermostat furnace wiring humidistat. When installing the aprilaire humidifier with the aprilaire digital humidifier control or on a heat pump system, use hot water. Installing the actual humidifier was the easy part. Te aprilaire humidifier wiring diagram schematic. Variety of aprilaire 600 humidifier wiring diagram.
Replacing Aprilaire 760 With 700m Wiring Question Doityourself Com Community Forums from www.doityourself.com Te aprilaire humidifier wiring diagram schematic. Unpack the humidifier control carton. I just purchased a model 400 aprilaire humidifier. (see step 6 on back and humidifier control safety and installation instructions for. Wiring diagrams help technicians to view the way the controls are wired to the system. Aprilaire 700 humidifier wiring diagram best place to read and. Help installing a aprilaire 600 humidifier on carrier. Part includes 46k resistor and manual mode dial sticker.
For aprilaire ® humidifier installation, follow aprilaire humidifier installation instructions.
You will need to hook that transformer to the 120 volt power coming into the furnace. When installing the aprilaire humidifier with. Perhaps this is more than you ever wanted to know about keep in mind the example in my article is using a 600m.a very simple unit. I then wired the two yellow wires from the solenoid to the hh outputs on the humidistat. I just purchased a model 400 aprilaire humidifier. This setting will control when the indicator light turns on, reminding you to. Aprilaire (humidifier) diagrams, schematics and circuit diagrams, flowcharts, service guides, replacement hardware lists and repair manuals. 15 popular wiring diagram nest thermostat with humidifier. Royal caribbean�s aboriginal ecobee aprilaire 600 wiring diagram in effectively months set captain on tuesday, marking a single other footfall in advance to program for. Wiring diagrams help technicians to view the way the controls are wired to the system. The following illustration describes six possible ways to wire your aprilaire humidifier to your furnace or air handler. Wiring diagrams illustrate recommended method of detecting furnace. Aprilaire's instructions on power going up to the humidistat are to use the 24 volt r terminal and the c terminal , however my terminal strip doesn't have a *c* terminal.
(see step 6 on back and humidifier control safety and installation instructions for. Maintain wellness save energy and protect your home with and aprilaire humidifier. For aprilaire® humidifier installation, follow aprilaire humidifier installation instructions. Aprilaire humidifiers employ the same principle, with refinements, to give you the optimum relative humidity for maximum allowable comfort all winter long. This concludes our session of humidifier 101.
Aprilaire 110 Wiring Diagram Installation Fuse Box Diagram 2001 Jeep Grand Cherokee Bege Wiring Diagram from www.doityourself.com Aprilaire 700 humidifier series 60 humidistat installation. You should have wiring diagrams in with the unit you bought that will help with yours. Te aprilaire humidifier wiring diagram schematic. Aprilaire 600m humidifier kit review. Wiring diagram york furnace thermostat furnace wiring humidistat. .source:kolnetanya.com aprilaire 700 wiring diagram humidifier blonton stunning from aprilaire 600 wiring diagram , source:jennylares.com carrier humidifier wiring diagram humidifier wiring red and white from aprilaire. Part includes 46k resistor and manual mode dial sticker. (for manual operation, make sure manual mode resistor case is in place.) • check main wiring diagram for correct humidifier control installation.
I then wired the two yellow wires from the solenoid to the hh outputs on the humidistat.
Help installing a aprilaire 600 humidifier on carrier. Warning h az rd ousv lt ge ca nuse rio j y f r om el cti sh k. When installing the aprilaire humidifier with the aprilaire digital humidifier control or on a heat pump system, use hot water. (for manual operation, make sure manual mode resistor case is in place.) • check main wiring diagram for correct humidifier control installation. .source:kolnetanya.com aprilaire 700 wiring diagram humidifier blonton stunning from aprilaire 600 wiring diagram , source:jennylares.com carrier humidifier wiring diagram humidifier wiring red and white from aprilaire. Many people can understand and understand schematics. I just purchased a model 400 aprilaire humidifier. Aprilaire's instructions on power going up to the humidistat are to use the 24 volt r terminal and the c terminal , however my terminal strip doesn't have a *c* terminal. 19 aprilaire 600 humidifier wiring diagram pictures has been published by author and has been branded by decorations blog. Aprilaire repair manuals and service manuals for devices from humidifier category are taken from the manufacturer's official website. Part includes 46k resistor and manual mode dial sticker. Updated on august 8 2017 november 27 2019 by. I then wired the two yellow wires from the solenoid to the hh outputs on the humidistat.
Link Pluto Tv To Apple Tv / Link Pluto Tv To Apple Tv / How to Download and Install ... - Our guide to pluto tv has everything you need to know about the free live tv streaming service. . With pluto tv, all your great entertainment is free. From the pluto tv support site: Pluto tv on apple tv 4 is a great way to check out tons of internet based content. My husband can watch the news, my kids can watch cartoons, and i can save money on cable. If you're a news junkie, we've got nbc free yourself from traditional tv. Pluto tv activate on roku, amazon fire tv, android tv, sony ps4 and more. From the pluto tv support site: We created pluto.tv to solve that problem, winnowing out the best. Pluto tv released its app for the new apple tv. Join us, citizen, and download today to start watching all the. Link Pluto Tv To Apple Tv - Pluto Tv Review Pcmag ... from www.cordcuttersnews.com ...
Registrace Na Očkování / Registrace na očkování proti covidu pro všechny bude od 1 ... / Hostem je petra pecková, hejtmanka středočeského kraje (za stan). . Připomíná soutěž o lístky na pink floyd. Registrace na očkování je nedůstojná. Očkování zůstává pro všechny bezplatné a dobrovolné, zájemci si mohou zvolit den, čas i místo. K registraci k očkovaní se přihlásíte na internetových stránkách www.crs.uzis.cz nebo www.registrace.mzcr.cz. A jaký názor mají na celou akci někteří čeští opoziční politici? Registrace na termín očkování pro seniory starší 80 let v osm hodin ráno ihned po spuštění kvůli obrovskému zájmu nefungoval správně a nebylo možné se registrovat. Další kraje začínají s očkováním proti koronaviru, zájem je veliký. Do pátečních 13:00 se jich registrovalo přes 70 tisíc. S registraci na ockovani pomuze mesto i kraj / 2 zadání kontrolního pin kódu. Nemocnice čekají na vytvoření centrálního registru lidí již naočkovaných proti koronaviru podle metodiky minis...
Among Us Coloring Pages With Hats / Drawing Among Us Coloring Pages Unicorn - The legs of the characters get replaced with a flowy design to signify the ghosts, who are among us colouring pages for adults. . Among us coloring pages are a good way for kids to develop their habit of coloring and painting, introduce them new colors, improve the we have a collection of top 26 free printable among us coloring sheet at onlinecoloringpages for children to download, print and color at their pastime. Among us is a super fun online game, to justify my addiction i made a coloring page of over 100 among us characters with unique costumes. Among us ghost coloring page: Among us coloring pages are a fun way for kids of all ages to develop creativity, focus, motor skills and color recognition. Among us coloring page halloween costumes skins hats xcolorings com cute coloring pages cute easy drawings free kids coloring pages. What's your favorite among us game skin? Learn how to ...
Komentar
Posting Komentar